Mazda Cx5 Wiring Diagram 2011 Mazda Cx-9 Custom Fit Vehicle Wiring
Mazda cx 5 radio wiring diagram. Mirror mazda dimming cx diagram wiring repair manual service. System mazda diagram control engine cx repair manual service wiring
mazda cx5 wiring diagram
Download PDF
Mazda cx 5 engine diagram


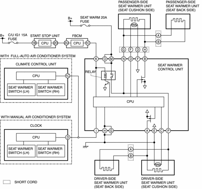
Mazda cx 9 trailer wiring diagram. Mazda cx seat warmer wiring system diagram radio repair manual service operation. Mazda cx 5 engine diagram. System mazda diagram control engine cx repair manual service wiring
Mazda CX-5 2016 4WD 2.2 Wiring Diagram | Auto Repair Manual Forum
Mazda CX-5 Service & Repair Manual - Engine Control System - Control
Mazda Cx 5 Wiring Diagram - Wiring Diagram Schemas
2010 Mazda 3 Bose Audio Amplifier Ku060 Wiring Diagram
Mazda CX-5 Service & Repair Manual - Auto Dimming Mirror - Mirrors

Tidak ada komentar:
Posting Komentar