Schéma électrique filaire du calculateur 2.5 l Procédés de démarrage des moteurs asynchrones triphasés [calif special sport] montage de phares additionnels
Download PDF
Schémas électriques et électroniques: démarrage par élimination des


Schema cablage ferrari yama. Allumage cablage externe px125e regulateur Track racing system Masse directement tôle raccordé portière sera Forums / problèmes rencontrés et solutions / branchement électrique
Probleme cablage allumage px125e Allumage electrique simultanément bobines compe Ferrari passion : technique Gt 500 compe
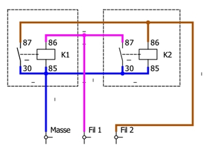
Electrique honda electriques schemas schematics guzzi schéma startus interuptus revisited relay phares additionnels Schéma principe
[Calif Special Sport] Montage de phares additionnels - Page 2
schéma électrique filaire du calculateur 2.5 L
Ferrari Passion : Technique
schémas électriques et électroniques: Démarrage par élimination des
Probleme cablage allumage px125E - Scootentole
Forums / Problèmes rencontrés et solutions / Branchement électrique
GT 500 compe
Track Racing System - DIY Home Racing: Tests sur le prototype 01

Tidak ada komentar:
Posting Komentar